卡森公司预处理剂在铸铁件生产中的应用
摘要:卡森预处理剂的由来及性能特点介绍
预处理剂目前的种类较多,有FeSi 、SiC、高纯优质增碳剂或一些硅铁基合金内复合几种微量元素, 卡森预处理技术是在孕育或球化处理前,通过预处理剂加入,在传统预处理效果的基础上,再将铁液中的w(O),w(S)及其它一些杂质干扰元素反应复合成有效石墨核心,为孕育或球化反应提供优良的铁水;同时反应生成的产物还可以作为稳定的形核质点和共晶转变中石墨的形核核心,适用于灰铸铁和球墨铸铁,其作用有改善铁液的冶金质量,较强的脱氧作用,增加单位面积的形核核心,降低铁液的过冷度,改善石墨形态及铸件的显微组织,改善铸件机械性能(切削性能)等。
关键词:预处理剂 切削性能 球化率。
了解了卡森公司预处理剂在铸铁件生产中的作用,下面我们通过两个实用案例具体分析如下:
预处理剂目前的种类较多,有FeSi 、SiC、高纯优质增碳剂或一些硅铁基合金内复合几种微量元素, 卡森预处理技术是在孕育或球化处理前,通过预处理剂加入,在传统预处理效果的基础上,再将铁液中的w(O),w(S)及其它一些杂质干扰元素反应复合成有效石墨核心,为孕育或球化反应提供优良的铁水;同时反应生成的产物还可以作为稳定的形核质点和共晶转变中石墨的形核核心,适用于灰铸铁和球墨铸铁,其作用有改善铁液的冶金质量,较强的脱氧作用,增加单位面积的形核核心,降低铁液的过冷度,改善石墨形态及铸件的显微组织,改善铸件机械性能(切削性能)等。
关键词:预处理剂 切削性能 球化率。
了解了卡森公司预处理剂在铸铁件生产中的作用,下面我们通过两个实用案例具体分析如下:
一、对HT250以上牌号产品机加工性能有明显改善
(一)、 产品图片及使用要求

上图为国内某工厂为大众公司某款轿车生产的制动盘毛坯,客户对产品质量要求如下:
1、材质为HT250,抗拉强度(本体)205Mpa以上。
2、金相要求:制动面要求片状A型石墨≥90%,石墨长度4~5级,B、D、E型石墨最小化,不允许存在C型石墨,基体组织:允许存在5%以下的铁素体,其余为珠光体,碳化物含量不允许超过2%。
3、硬度要求:187~229,同一面上硬度差15度以下,同一铸件硬度差20度以下。
4、机加工刀具损耗为400件/把
针对以上的客户要求,该工厂生产的产品质量要求全部满足,唯一不足的是机加工刀具损耗只有大约250件/把,达不到客户要求,为此卡森公司技术人员和该工厂技术人员通过技术交流后做如下2炉试验,试验条件:
1.同一天同一炉子连续生产2炉,第一炉全部按照现有熔炼工艺,不加卡森公司预处理剂;第二炉加卡森公司A级预处理,其余按照熔炼现有工艺
2.所用的原材料2炉大体相当,不存在干忧因素
(二)、该产品部分生产条件(生产作业标准书)如下:
熔炼设备为中频感应电炉,容量:6吨
主材料配比:废钢40%,回炉料60%
熔炼炉前要求的化学成份要求:
C: 3.20~3.30 Si: 1.75~1.85 Mn: 0.8~0.9 P: 0.08以下
S:0.06~0.08 Sn: 0.085~0.095 Cu: 0.35~0.45 Cr: 0.15~0.25
Mo:0.05以下 Ni: 0.05以下 Ti:0.03以下
出炉温度:1490±10℃
浇注温度控制在1390~1440℃之间
开箱时间大约90分钟
(三)、实际生产数据如下:
炉前成分
未添加卡森预处理剂的炉前铁水成分
C: 3.28(碳当量仪) Si:1.81 Mn :0.89 P:0.046
S :0.074 Sn:0.091 Cu:0.39 Cr :0.18 Mo:0.036
Ni:0.039 Ti:0.019
添加卡森预处理剂的炉前铁水成分
C: 3.26(碳当量仪) Si:1.78 Mn :0.91 P:0.048
S :0.071 Sn:0.090 Cu:0.41 Cr :0.17 Mo:0.038
Ni:0.035 Ti:0.020
以上数据表明,两炉铁水成分基本一致
其他生产控制数据严格按照生产作业标准书执行,这里不再列出
(四)、对比检测结果如下:
1.金相
未添加卡森公司预处理剂的金相如下:
添加卡森公司预处理剂的金相如下:
从上面的金相图片可以看出,添加卡森公司预处理剂的A型(都≥90%,石墨长度4~7级)石墨形态要更细更短、数量更多一些,腐蚀以后的基体组织铁素体量要少很多,都不存在碳化物。
2.机械性能
从上表的检测数据可以看出,硬度差进一步缩小,抗拉强度略有下降
机加工刀具磨损数据统计
从下面的统计表可以看出,添加卡森预处理剂对机加工的刀具磨损改善效果非常明显的
卡森公司预处理剂可以增加球墨铸铁件石墨球数量,改善石墨球的圆整度,提高球化率。
(一)、 产品图片及使用要求

上图为国内某工厂为大众公司某款轿车生产的制动盘毛坯,客户对产品质量要求如下:
1、材质为HT250,抗拉强度(本体)205Mpa以上。
2、金相要求:制动面要求片状A型石墨≥90%,石墨长度4~5级,B、D、E型石墨最小化,不允许存在C型石墨,基体组织:允许存在5%以下的铁素体,其余为珠光体,碳化物含量不允许超过2%。
3、硬度要求:187~229,同一面上硬度差15度以下,同一铸件硬度差20度以下。
4、机加工刀具损耗为400件/把
针对以上的客户要求,该工厂生产的产品质量要求全部满足,唯一不足的是机加工刀具损耗只有大约250件/把,达不到客户要求,为此卡森公司技术人员和该工厂技术人员通过技术交流后做如下2炉试验,试验条件:
1.同一天同一炉子连续生产2炉,第一炉全部按照现有熔炼工艺,不加卡森公司预处理剂;第二炉加卡森公司A级预处理,其余按照熔炼现有工艺
2.所用的原材料2炉大体相当,不存在干忧因素
(二)、该产品部分生产条件(生产作业标准书)如下:
熔炼设备为中频感应电炉,容量:6吨
主材料配比:废钢40%,回炉料60%
熔炼炉前要求的化学成份要求:
C: 3.20~3.30 Si: 1.75~1.85 Mn: 0.8~0.9 P: 0.08以下
S:0.06~0.08 Sn: 0.085~0.095 Cu: 0.35~0.45 Cr: 0.15~0.25
Mo:0.05以下 Ni: 0.05以下 Ti:0.03以下
出炉温度:1490±10℃
浇注温度控制在1390~1440℃之间
开箱时间大约90分钟
(三)、实际生产数据如下:
炉前成分
未添加卡森预处理剂的炉前铁水成分
C: 3.28(碳当量仪) Si:1.81 Mn :0.89 P:0.046
S :0.074 Sn:0.091 Cu:0.39 Cr :0.18 Mo:0.036
Ni:0.039 Ti:0.019
添加卡森预处理剂的炉前铁水成分
C: 3.26(碳当量仪) Si:1.78 Mn :0.91 P:0.048
S :0.071 Sn:0.090 Cu:0.41 Cr :0.17 Mo:0.038
Ni:0.035 Ti:0.020
以上数据表明,两炉铁水成分基本一致
其他生产控制数据严格按照生产作业标准书执行,这里不再列出
(四)、对比检测结果如下:
1.金相
未添加卡森公司预处理剂的金相如下:
![]() |
![]() |
![]() |
![]() |
2.机械性能
|
项目 |
硬度 |
(实体)抗拉强度 |
|
规格 |
187- 229 |
205N/mm2↑ |
|
实测 |
未添加:208 207 214 212 |
262 |
|
实测 |
添加:207 207 203 205 |
255 |
|
判定 |
合格 |
合格 |
从上表的检测数据可以看出,硬度差进一步缩小,抗拉强度略有下降
机加工刀具磨损数据统计
从下面的统计表可以看出,添加卡森预处理剂对机加工的刀具磨损改善效果非常明显的
|
刀具位置、寿命统计 |
||||||
|
类別 |
件名 |
刀具编号 |
S |
F |
未添加 |
添加 |
|
OP10 |
N300制动盘 |
D4 |
S300 |
0.4 |
130 |
255 |
|
D6 |
S400 |
0.4 |
50 |
65 |
||
|
D1 |
S400 |
0.35 |
160 |
160 |
||
|
|
|
|
|
|
|
|
|
类別 |
件名 |
刀具编号 |
|
|
|
|
|
OP20 |
N300制动盘 |
D5 |
S500 |
F0.3 |
55 |
65 |
|
D8 |
S1600 |
0.3 |
40 |
60 |
||
|
D6 |
S400 |
0.5 |
45 |
60 |
||
|
|
|
|
|
|
|
|
|
类別 |
件名 |
刀具编号 |
|
|
|
|
|
OP30 |
N300制动盘 |
D2 |
S1500 |
0.25 |
80 |
360 |
|
S350 |
0.15 |
340 |
360 |
|||
|
D4 |
S800 |
0.35 |
40 |
72 |
||
|
|
|
|
|
|
|
|
|
类別 |
件名 |
刀具编号 |
|
|
|
|
|
OP40 |
N300制动盘 |
D1 |
S1800 |
545 |
1100 |
1100 |
|
D2 |
S2000 |
530 |
1100 |
1100 |
||
|
|
|
|
|
|
|
|
|
类別 |
件名 |
刀具编号 |
|
|
|
|
|
OP50 |
N300制动盘 |
D3 |
S2500 |
F0.45 |
75 |
126 |
|
S2500 |
F0.35 |
500 |
500 |
|||
|
D5 |
S2000 |
F0.65 |
150 |
168 |
||
|
T1 |
S1000 |
F0.45 |
75 |
145 |
||
下面的生产试验是在国内某民营企业进行的
(一)、浇注如下图产品:已批量生产的某轿车转向节铸件

该产品材质要求为普通的QT450-12,因为延伸率要求较高,在成分满足要求的前提下,对球化率有更高的要求,而且需要稳定达到2级以上球化率,为此我们在该工厂技术人员配合下做此试验,试验条件:熔炼一炉3吨铁水,第1、2包铁水(500Kg/包)按照现有球化孕育工艺进行,第3、4包铁水均在球化包覆盖剂添加卡森公司预处理剂后铁水冲入球化孕育,金相取样均为同一位置,如上图绿线切割位置,样件均为每包浇注最后一箱同一模穴号,做好包次标记。
(二)、该产品部分生产条件(生产作业标准书)如下:
熔炼设备为中频感应电炉,容量:3吨,每包球化量:500Kg
主材料配比:生铁 30% 废钢 25% 回炉料 45%
熔炼炉前要求的化学成分要求:
C: 3.70~3.80 Si: 1.75~1.85 Mn: 0.2~0.3 P: 0.05以下
S:0.02以下 Sn: 0.01以下 Cu: 0.10以下 Cr: 0.08以下
Mo: 0.05以下 Ni: 0.05以下 Ti: 0.025以下
球化孕育后成分要求:
C: 3.40~3.60 Si: 2.60~2.80 Mn: 0.2~0.3 P: 0.05以下
S:0.02以下 Sn: 0.01以下 Cu: 0.10以下 Cr: 0.08以下
Mo: 0.05以下 Ni: 0.05以下 Ti: 0.03以下
残留Mg:0.035~0.05
出炉温度:1540±10℃
浇注温度1360~1420℃
(三)、实际生产数据如下:
炉前成分如下:
C: 3.78 Si: 1.82 Mn: 0.26 P: 0.035 S:0.015
Sn: 0.006 Cu: 0.07 Cr: 0.042 Mo: 0.041
Ni: 0.035 Ti: 0.024
球化孕育后成分如下:
C:(未添加3.49、3.47,添加3.52、3.55)
Si: (未添加 2.72、2.68,添加2.75、2.78) Mn: 0.25
P: 0.036 S:0.010 Sn: 0.006 Cu: 0.08
Cr: 0.041 Mo: 0.038 Ni: 0.035 Ti: 0.023
出炉温度:1546℃
浇注首温:1412℃,浇注末温1365℃
其余按照生产作业标准书执行
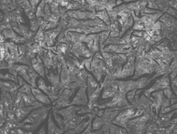
(四)、金相检测结果如下:
第一包

第二包

第三包

第四包

从以上金相图片可以看出, 第1、2包铁水中的石墨球数量较第3、4包石墨球的数量少较多,且第1、2包铁水的中的石墨球的圆整度比第3、4包铁水中的石墨球的圆整度要差许多。
结论:
1传统的预处理剂工艺只是将原料如硅化硅,硅铁或增碳剂等添加剂直接进行的处理,卡森预处理剂是将原料提纯再复合微素元素制作而成,其作用大大超过原料,在球化处理前,通过加入的预处理剂,能提高铸件的综合机械性能。
2 通过卡森预处理剂的加入,能有效的改善灰铁铸件石墨的分布和形态,还有其显微组织,这样达到改善铸件的切削性能。
参考文献:
周继扬. 铸铁彩色金相学。
(一)、浇注如下图产品:已批量生产的某轿车转向节铸件

该产品材质要求为普通的QT450-12,因为延伸率要求较高,在成分满足要求的前提下,对球化率有更高的要求,而且需要稳定达到2级以上球化率,为此我们在该工厂技术人员配合下做此试验,试验条件:熔炼一炉3吨铁水,第1、2包铁水(500Kg/包)按照现有球化孕育工艺进行,第3、4包铁水均在球化包覆盖剂添加卡森公司预处理剂后铁水冲入球化孕育,金相取样均为同一位置,如上图绿线切割位置,样件均为每包浇注最后一箱同一模穴号,做好包次标记。
(二)、该产品部分生产条件(生产作业标准书)如下:
熔炼设备为中频感应电炉,容量:3吨,每包球化量:500Kg
主材料配比:生铁 30% 废钢 25% 回炉料 45%
熔炼炉前要求的化学成分要求:
C: 3.70~3.80 Si: 1.75~1.85 Mn: 0.2~0.3 P: 0.05以下
S:0.02以下 Sn: 0.01以下 Cu: 0.10以下 Cr: 0.08以下
Mo: 0.05以下 Ni: 0.05以下 Ti: 0.025以下
球化孕育后成分要求:
C: 3.40~3.60 Si: 2.60~2.80 Mn: 0.2~0.3 P: 0.05以下
S:0.02以下 Sn: 0.01以下 Cu: 0.10以下 Cr: 0.08以下
Mo: 0.05以下 Ni: 0.05以下 Ti: 0.03以下
残留Mg:0.035~0.05
出炉温度:1540±10℃
浇注温度1360~1420℃
(三)、实际生产数据如下:
炉前成分如下:
C: 3.78 Si: 1.82 Mn: 0.26 P: 0.035 S:0.015
Sn: 0.006 Cu: 0.07 Cr: 0.042 Mo: 0.041
Ni: 0.035 Ti: 0.024
球化孕育后成分如下:
C:(未添加3.49、3.47,添加3.52、3.55)
Si: (未添加 2.72、2.68,添加2.75、2.78) Mn: 0.25
P: 0.036 S:0.010 Sn: 0.006 Cu: 0.08
Cr: 0.041 Mo: 0.038 Ni: 0.035 Ti: 0.023
出炉温度:1546℃
浇注首温:1412℃,浇注末温1365℃
其余按照生产作业标准书执行
(四)、金相检测结果如下:

第二包

第三包

第四包

从以上金相图片可以看出, 第1、2包铁水中的石墨球数量较第3、4包石墨球的数量少较多,且第1、2包铁水的中的石墨球的圆整度比第3、4包铁水中的石墨球的圆整度要差许多。
结论:
1传统的预处理剂工艺只是将原料如硅化硅,硅铁或增碳剂等添加剂直接进行的处理,卡森预处理剂是将原料提纯再复合微素元素制作而成,其作用大大超过原料,在球化处理前,通过加入的预处理剂,能提高铸件的综合机械性能。
2 通过卡森预处理剂的加入,能有效的改善灰铁铸件石墨的分布和形态,还有其显微组织,这样达到改善铸件的切削性能。
参考文献:
周继扬. 铸铁彩色金相学。





